Aplicación:Amarre,Marina,Barco
Aplicación:Amarre,Marina,Barco
Aplicación: Acuicultura, amarre de piscifactorías
Aplicación: Accesorio de elevación utilizado habitualmente en la industria y la construcción.
Aplicación: Accesorio de elevación utilizado habitualmente en la industria y la construcción.
El ancla AC-14 es un ancla HHP sin cepo con una corona de anclaje ancha, aletas gruesas y largas y costillas longitudinales.
| Características del producto: | |
| Aplicaciones: | elevación y conexión, accesorios de cuerda de acero, accesorios de cadena, accesorios de hardware marino |
| Material: | acero al carbono c15, c15e, forjado con martillo de caída |
| Tratamiento de la superficie: | galvanización brillante o en caliente |
| Estándar: | Din 580 / Din 582 |
| Certificación: | iso9001, ce, bv, SGS |
![]()
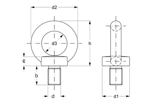
| Size (mm) | WILL (t) | WLL (t) | Weight (kg) | Dimensions (mm) | |||||
| d1 | d2 | d3 | b | h | k | ||||
| M6 | 0.07 | 0.05 | 5 | 17 | 28 | 16 | 13 | 17 | 6 |
| M8 | 0.14 | 0.09 | 6 | 20 | 36 | 20 | 15 | 18 | 8 |
| M10 | 0.23 | 0.17 | 11 | 25 | 45 | 25 | 18 | 22 | 10 |
| M12 | 0.34 | 0.24 | 18 | 30 | 54 | 30 | 22 | 26 | 12 |
| M14 | 0.49 | 0.34 | 28 | 35 | 63 | 35 | 26 | 30 | 12 |
| M16 | 0.7 | 0.5 | 28 | 35 | 63 | 35 | 28 | 30 | 14 |
| M20 | 1.2 | 0.83 | 45 | 40 | 71 | 40 | 30 | 35 | 16 |
| M22 | 1.5 | 1.05 | 67 | 45 | 81 | 45 | 35 | 40 | 18 |
| M24 | 1.8 | 1.27 | 87 | 50 | 90 | 50 | 36 | 45 | 20 |
| M27 | 2.5 | 1.65 | 88 | 50 | 97 | 55 | 36 | 45 | 20 |
| M30 | 3.6 | 2.6 | 166 | 65 | 108 | 60 | 45 | 55 | 25 |
| M33 | 4.3 | 3.2 | 172 | 75 | 109 | 65 | 45 | 55 | 25 |
| M36 | 5.1 | 3.7 | 265 | 75 | 126 | 70 | 55 | 65 | 28 |
| M39 | 6.1 | 4.3 | 280 | 85 | 128 | 75 | 55 | 65 | 28 |
| M42 | 7 | 5.0 | 403 | 85 | 144 | 80 | 65 | 75 | 32 |
| M45 | 8 | 5.5 | 425 | 100 | 144 | 85 | 65 | 75 | 32 |
| M48 | 8.6 | 6.1 | 638 | 100 | 166 | 90 | 70 | 85 | 38 |
| M52 | 9.9 | 7.3 | 660 | 100 | 166 | 95 | 70 | 85 | 38 |
| M56 | 11.5 | 8.3 | 880 | 110 | 184 | 100 | 80 | 95 | 42 |
| M64 | 16 | 11 | 1240 | 120 | 206 | 110 | 90 | 100 | 48 |